Schweißformteile aus Edelstahl

EN 10253-4 - EN 10253-4 Edelstahl Schweißformteile von Varinox

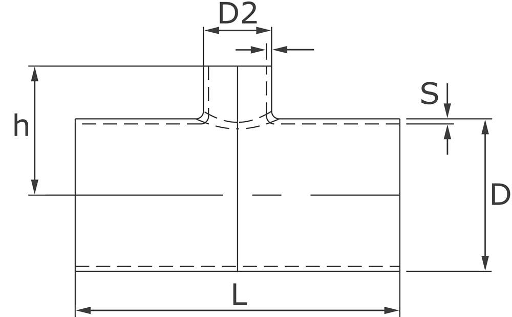
Reduzier-T-Stück EN 10253-4

TR.
  • EN 10253-4 EN 10253-4 - 97 Edelstahl Schweißformteile von Varinox
  • EN 10253-4 EN 10253-4 - 98 Edelstahl Schweißformteile von Varinox
  • EN 10253-4 EN 10253-4 - 99 Edelstahl Schweißformteile von Varinox
Produktbeschreibung
Maße und Werte
Verfügbarkeit und Preise
Downloads
Werkstoffe
Fragen Sie uns